0
выбрать город...
Книга: TOYOTA CAMRY VI бензин с 2006 г.в. - подробное руководство по техническому обслуживанию и ремонту, инструкция по эксплуатации, электрические схемы | СверчокЪ
-15%
Книга: TOYOTA CAMRY VI (б) с 2006 г.в., рем., экспл., то | СверчокЪ
Книга: TOYOTA CAMRY VI (б) с 2006 г.в., рем., экспл., то | СверчокЪ
Книга: TOYOTA CAMRY VI (б) с 2006 г.в., рем., экспл., то | СверчокЪ
Книга: TOYOTA CAMRY VI (б) с 2006 г.в., рем., экспл., то | СверчокЪ
Книга: TOYOTA CAMRY VI (б) с 2006 г.в., рем., экспл., то | СверчокЪ
Книга: TOYOTA CAMRY VI (б) с 2006 г.в., рем., экспл., то | СверчокЪ
Книга: TOYOTA CAMRY VI (б) с 2006 г.в., рем., экспл., то | СверчокЪ
Артикул
6051
ISBN
978-5-98842-130-6
Издательство
СверчокЪ
Серия
Ремонт в дороге и гараже
Кол-во страниц
440
Переплет
Мягкий
Язык
Русский
Формат (Ш x В)
210 x 290 мм
Цветность
Ч/Б
Руководство по ремонту, техническому обслуживанию и эксплуатации автомобилей Toyota Camry VI c 2006 года выпуска, с бензиновым двигателями 2.4 л - 2AZ-FE; 3.5 л - 2GR-FE.

Книга содержит: общие сведения об устройстве автомобилей Toyota Camry VI и их модификаций, рекомендации по эксплуатации и техническому обслуживанию, описание возможных неисправностей двигателя, трансмиссии, ходовой части, рулевого управления, тормозной системы.

В то время когда другие владельцы Toyota тратят деньги и время, проводя его в автосервисах, Вы спокойно перелистываете данное пособие и понимаете, что теперь ремонт Вашего автомобиля Вы легко можете произвести самостоятельно. Даже дальняя поездка в Анапу, в которой с машиной может случится ни мало неприятностей оставит Вам только положительные впечатления.

Советы, приведенные в данном руководстве, помогут провести ТО и сделать ремонт, как на станции технического обслуживания, так и своими силами.

Книга предназначена для владельцев автомобилей Тойота Камри 6, работников СТО и автосервисов.
Оглавление
Скрыть оглавление
 
ВВЕДЕНИЕ    3
ОБШИЕ СВЕДЕНИЯ ПО АВТОМОБИЛЮ    3
Идентификационные номера автомобиля     3
Краткое описание устройства автомобиля     4
ИНСТРУКЦИЯ ПО ЭКСПЛУАТАЦИИ     7
Рабочее место волителя    7
Передняя панель    7
Панель приборов    7
Комбинированный переключатель
стеклоочистителей и стеклоомывателей    10
Управление светом    11
Электрические стеклоподъёмники    12
Зеркала    12
Сиденья    12
Аулиосистема    14
Управление аудиосистемой    14
Органы дистанционного управления
аудиосистемой на рулевом колесе    16
Аудиосистема и мобильный телефон    17
Система вентиляции и кондиционирования    17
Дефлекторы системы вентиляции    17
Система «климат-контроль» с ручным
управлением (если установлена)    17
Система «климат-контроль» с автоматическим
управлением (если установлена)    18
Работа системы «климат-контроль»    19
Органы дистанционного управления климатом
на рулевом колесе    20
Запуск лвигателя и управление автомобилем  21
Замок зажигания    21
Запуск двигателя    21
Запуск двигателя от второго автомобиля
(«прикуривание»)    21
Остановка двигателя    22
Рычаг селектора автоматической коробки
переключения передач     22
Рычаг селектора механической коробки
переключения передач     24
ОБШИЕ РЕКОМЕНДАЦИИ  ПО РЕМОНТУ    25
Меры предосторожности    25
Подъём автомобиля домкратом и буксировка  25
Несколько советов автовладельцам    27
Инструмент и оборудование    28
ТЕХНИЧЕСКОЕ ОБСЛУЖИВАНИЕ АВТОМОБИЛЯ  29
График технического обслуживания    29
Несколько советов по проведению технического
обслуживания    30
Техническое обслуживание лвигателя    30
Зазоры в механизме привода клапанов -
проверка и регулировка    30
Гидравлические толкатели    32
Техническое обслуживание системы охлажления
лвигателя    33
Проверка системы охлаждения    33
Проверка уровня/доливание охлаждающей
жидкости    33
Проверка герметичности системы охлаждения 34 Слив, промывка и заполнение системы
охлаждения    35
Шланги системы охлаждения - обслуживание и
ремонт в аварийных ситуациях    36
Техническое обслуживание системы смазки
лвигателя    37
Проверка системы смазки двигателя и
Г
странение утечек    37
1роверка уровня масла в двигателе/замена
масла    37
Давление моторного масла - проверка    40
Техническое обслуживание системы питания    40
Проверка топливной системы    40
Замена воздушного фильтра    40
Топливный фильтр - замена    42
Проверка системы выпуска отработавших
газов    42
Техническое обслуживание тормозов    42
 
Проверка тормозной системы    42
Измерение толщины тормозных накладок
дисковых тормозов    43
Стояночный тормоз - проверка    44
Педаль тормоза - проверка и регулировка    44
Проверка уровня тормозной жидкости    44
Проверка тормозной системы на неплотности
и повреждения     45
Удаление воздуха из тормозной системы    45
Замена тормозной жидкости     47
Осмотр и замена гидравлических трубок и
шлангов    47
Техническое обслуживание трансмиссии и
холовой части    48
Проверка сцепления    48
Движение с неисправным приводом сцепления  49 Удаление воздуха из системы гидропривода
сцепления    49
Проверка уровня и замена трансмиссионной жидкости механической коробки переключения
передач    49
Проверка трансмиссионной жидкости автоматической коробки переключения
передач    50
Замена жидкости и фильтра в автоматической
коробке переключения передач    51
Техническое обслуживание рулевого управления
и полвески    52
Проверка люфта рулевого колеса    52
Проверка величины усилия при повороте рулевого колеса на неподвижном автомобиле 52 Проверка возврата рулевого колеса в среднее
положение    52
Проверка уровня жидкости в системе рулевого
Г
 правления с гидроусилителем    52
1роверка герметичности системы рулевого
управления     53
Удаление воздуха из системы рулевого
управления     53
Замена жидкости в системе рулевого
управления     53
Проверка амортизаторов стоек    54
Техническое обслуживание электрооборулования
автомобиля    54
Проверка работы элементов
электрооборудования    54
Аккумуляторная батарея    55
Техническое обслуживание кузова    55
Мойка автомобиля    55
Уход за лакокрасочным покрытием    56
Уход за различными деталями кузова    56
Зашита дниша кузова/консервация скрытых
полостей кузова    57
Уход за салоном автомобиля     57
Смазка и уход за кузовом    57
Техническое обслуживание различных систем 58
Приводные ремни    58
Шины и проверка давления в них    59
Проверка и замена шлангов    60
Проверка щёток стеклоочистителя    61
Воздушный фильтр салона - замена    62
Проверка системы SRS    62
Жидкость бачка стеклоомывателя - проверка  63
Регулировки двигателя    63
Проверки систем безопасности автомобиля  64 Топливо, моторное масло и эксплуатационные
жилкости    64
Заправочные ёмкости автомобиля    64
Топливо    64
Моторное масло    66
Трансмиссионные масла    67
Тормозные жидкости    68
Охлаждающая жидкость    69
Консистентные смазки    69
РЕМОНТ ДВИГАТЕЛЯ БЕЗ СНЯТИЯ С
АВТОМОБИЛЯ    71
Конструкция двигателя    71
Проверка компрессии    71
Шкив коленчатого вала - снятие и установка  72 Верхняя мёртвая точка (ВМТ) такта сжатия поршня 1-го цилиндра - определение
местоположения    72
Сальники коленчатого вала - замена    73
Ремонт лвигателя 2AZ-FE без снятия с
автомобиля    75
Крышка головки блока цилиндров - снятие и
установка    75
Lienb привода распределительных валов -
снятие и установка    75
Распределительные валы - снятие и установка  80 Головка блока цилиндров - снятие и установка 81
КАПИТАЛЬНЫЙ  РЕМОНТ ДВИГАТЕЛЯ    84
Полготовка к капитальному ремонту лвигателя 84
Переборка двигателя - обшая информация     84
Подготовка к снятию двигателя    84
Двигатель - снятие и установка    85
Обшая подготовка к ремонту двигателя    90
Переборка двигателя - последовательность
разборки    90
Маховик/пластина автоматической коробки переключения передач и зубчатый венец
стартера    94
Разборка лвигателя 2GR-FE    95
Крышки головок блока цилиндров - снятие и
установка    95
(Лепь привода распределительных валов
впускных клапанов - снятие и установка    97
Распределительные валы - снятие и установка  101 Головка блока цилиндров - снятие и
установка    104
Капитальный ремонт лвигателей 2AZ-FE и
2GR-FE    105
Головка блока цилиндров - разборка, очистка
и проверка элементов    105
Контроллер системы WT-i - снятие, установка
и проверка    109
Головка блока цилиндров - сборка    109
Элементы головки блока цилиндров - проверка
и ремонт     111
Балансировочные валы - снятие, проверка и
Г
становка     115
1оршни и шатуны - снятие    118
Коленчатый вал - снятие, проверка и
установка    119
Блок цилиндров - очистка, сборка и проверка  124
Поршни и шатуны - проверка и разборка    126
Поршневые кольца - установка    128
Поршни и шатуны - сборка и установка    129
Окончательная сборка двигателя -
рекомендации    132
Первый запуск двигателя после ремонта    134
Аиагностика неисправностей лвигателя    134
Двигатель не заводится - что делать?    134
Диагностика двигателя, осуществляемая в
процессе эксплуатации    135
СИСТЕМА СМАЗКИ    138
Процесс смазки двигателя     138
Масляный поддон - снятие и установка    138
Масляный радиатор    141
Масляный насос - снятие и установка    141
Масляный насос - проверка    143
Диагностика неисправностей системы смазки  144
СИСТЕМА ОХЛАЖДЕНИЯ    145
Обшее описание    145
Термостат - снятие, проверка и установка    146
Радиатор - снятие, ремонт и установка    147
Насос охлаждающей жидкости - снятие и
установка    151
Расширительный бачок    152
Шланги системы охлаждения - снятие и
установка    153
Вентилятор системы охлаждения - проверка  153
Диагностика неисправностей системы
охлаждения    155
СИСТЕМА ЗАЖИГАНИЯ    157
       438
 
Обшее описание    157
Меры безопасности при работе с системой
зажигания    '    157
Катушки зажигания - снятие и установка    157
Свечи зажигания    158
Анализ состояния свечей зажигания    159
Диагностика неисправностей системы
зажигания    161
ТОПЛИВНАЯ СИСТЕМА И СИСТЕМА
УПРАВЛЕНИЯ  ДВИГАТЕЛЕМ    162
Топливная система    162
Общее описание    162
Меры предосторожности при работе с
системой впрыска    163
Сброс давления в топливной системе    164
Топливный насос и давление топлива -
проверка    164
Топливопроводы и соединения - обшая
информация    ,    165
Топливный насос/датчик уровня топлива -
снятие, проверка и установка    167
Шток педали акселератора - проверка,
снятие и установка    170
Топливный бак - снятие и установка    170
Ресивер для поступающего воздуха - снятие
и установка    1 72
Демпфер пульсаций - снятие и установка    173
Форсунки - проверка, снятие и установка    173
Возможные неисправности топливной
системы    177
Система управления лвигателем    177
Обшее описание    177
Меры безопасности при работе с элементами
системы управления двигателем    179
Электронный блок управления (ЕСМ)    179
Клапан управления подачей воздуха - снятие
и установка    189
Клапан управления подачей моторного масла к распределительному валу для управления
фазами газораспределения (OCV)    189
Клапан увеличения оборотов холостого хода при включении кондиционера (VSV) -
проверка и замена    190
Реле системы впрыска - проверка    191
Корпус дроссельной заслонки - снятие,
установка и проверка    191
Расходомер воздуха - замена и проверка    193
Датчик положения коленчатого вала - замена
и проверка    193
Датчик детонации     194
Датчик температуры охлаждающей жидкости  194 Датчик положения распределительного вала -
замена и проверка    195
Диагностика неисправностей системы
впрыска топлива    196
Система самолиагностики    198
Общее описание    198
Проверка/стирание диагностических кодов
неисправностей DTC    199
Данные памяти    200
Режим проверки    203
Таблица диагностических кодов
неисправностей    204
Системы снижения токсичности паров топлива/
отработавших газов    225
Обшее описание    225
Система принудительной вентиляции картера
(PCV)    227
Система контроля испарения топлива (EVAP)  228 Адсорбер (ёмкость с активированным углём) -
замена    230
Вакуумный переключающий клапан управления очисткой ёмкости для паров топлива (VSV) -
замена и проверка    231
Датчики соотношения воздух-топливо -
снятие, проверка и установка    232
Нагреваемый датчик кислорода - снятие,
проверка и установка    232
Возможные неисправности системы     233
СИСТЕМА ВЫПУСКА ОТРАБОТАВШИХ ГАЗОВ  235
 
439
Обшее описание    235
Проверка подвески и состояния выпускного
тракта    235
Замена системы выпуска    236
Проверка катализатора/
лямбда-регулирования    237
Катализатор - замена    237
Правила эксплуатации
автомобилей с катализатором    237
СИЛОВАЯ  ПЕРЕДАЧА    239
Сцепление    239
Обшее описание    239
Педаль сцепления - проверка и регулировка  239
Педаль сцепления - снятие и установка    240
Выключатель блокировки
стартера на педали сцепления - проверка и
регулировка    241
Диагностика неисправностей сцепления    241
Сцепление - снятие и установка    242
Проверка элементов сцепления    243
Главный цилиндр сцепления - снятие и
установка    244
Рабочий цилиндр сцепления - снятие, ремонт
и установка    245
Выжимной подшипник    246
Срок службы сцепления    246
Возможные неисправности сцепления    246
Механическая коробка переключения перелай 248 Конструкция коробки переключения передач 248 Выключатель фонаря заднего хода - замена  250
Сальники дифференциала - замена    250
Рычаг переключения передач - снятие и
установка    251
Тросы управления коробкой переключения
передач - снятие и установка    252
МКПП - снятие и установка    252
Ремонт коробки переключения передач     253
Муфта синхронизатора - ремонт    260
Вал рычага переключения и выбора передач -
ремонт    261
Коробка дифференциала - ремонт    262
Диагностика неисправностей механической
коробки переключения передач    264
Автоматическая коробка переключения
перелач    264
Обшие сведения и принцип работы     264
Электронная система управления автоматической коробкой переключения
передач    265
Диагностика автоматической коробки
переключения передач     265
Сальники переднего дифференциала -
замена    266
Поддон картера автоматической коробки переключения передач и сетчатый фильтр -
снятие и установка    267
Выключатель индикации диапазонов Р и
N - замена    267
Датчик скорости вращения автоматической
коробки переключения передач - замена    268
АКПП - замена    268
Рекомендации по проведению ремонта автоматической коробки переключения
передач    270
Буксировка автомобилей с автоматической
коробкой переключения передач     271
Диагностика неисправностей автоматической
коробки переключения передач    271
Приволные валы    271
Обшие сведения    271
Приводные валы - снятие и установка    272
Приводные валы - ремонт    273
Проверка защитных чехлов    277
Поиск неисправностей приводных валов    277
ХОДОВАЯ ЧАСТЬ И РУЛЕВОЕ УПРАВЛЕНИЕ    278
Передняя полвеска    278
Обшее описание    278
Проверка элементов передней подвески
автомобиля    278
Передний амортизатор - снятие и установка  280
 
Амортизационная стойка - разборка и
сборка    281
Нижний рычаг передней подвески - снятие и
Г
становка    282
1ередний стабилизатор поперечной
устойчивости    283
Ступица и поворотный кулак - снятие,
проверка и установка    284
Ступица переднего колеса - ремонт    285
Залняя полвеска    287
Обшее описание    287
Проверка элементов задней подвески     287
Проверка амортизаторов и пружин    287
Амортизационная стойка - снятие и
установка    287
Амортизационная стойка - разборка и сборка 289 Продольная штанга задней подвески - снятие
и установка    289
Задний стабилизатор поперечной
устойчивости - снятие и установка    290
Рычаги задней подвески - снятие и установка  291 Ступица и подшипник заднего колеса - снятие
и установка    292
Держатель ступицы заднего колеса - снятие и
установка    292
Рулевое управление     293
Обшее описание    293
Рулевое колесо - снятие и установка    294
Рулевая колонка - снятие, проверка и
установка    295
Рулевая колонка - ремонт    296
Проверка пыльников и наконечников рулевых
тяг    297
Наконечники рулевых тяг - снятие и
установка    297
Проверка момента начала вращения шарового
шарнира наконечника рулевой тяги    298
Рулевой механизм - снятие и установка    298
Рулевой механизм - разборка, проверка и
сборка    299
Электронный блок управления усилителем
рулевого управления - замена    300
Колёса и шины    301
Рекомендации по замене шин    301
Применяемые шины и колёса    301
Использование цепей противоскольжения    302
Колесо с шиной - снятие и установка    302
Биение колёс    303
Ремонт дефектов алюминиевых колёс    304
Восстановление защитного покрытия
алюминиевых колёс    304
Корректировка неоднородностей шин    304
Диагностика шины     305
Болт ступицы колеса - замена    305
Регулировка колёс    306
Аиагностика неисправностей холовой части    309
Обшая диагностика неисправностей ходовой
части    309
Диагностика реечного рулевого механизма  311
Диагностика состояния амортизаторов    311
Диагностика состояния шин    311
Диагностика причин увода автомобиля    312
Диагностика и устранение вибрации ходовой
части    313
Диагностика неисправностей закрытых
подшипников колёс    314
ТОРМОЗНАЯ  СИСТЕМА    315
Обшее описание    315
Выключатель сигнала торможения - замена и
проверка    316
Педаль тормоза - снятие, ремонт и установка 316 Главный тормозной цилиндр - снятие и
установка    317
Усилитель тормозов - снятие и установка    319
Дисковые тормоза - обшее описание    320
Замена тормозных колодок    321
Тормозной суппорт - снятие, ремонт и
установка    322
Тормозные диски - снятие, установка и
проверка    324
 
439
Обшее описание    235
Проверка подвески и состояния выпускного
тракта    235
Замена системы выпуска    236
Проверка катализатора/
лямбда-регулирования    237
Катализатор - замена    237
Правила эксплуатации
автомобилей с катализатором    237
СИЛОВАЯ  ПЕРЕДАЧА    239
Сцепление    239
Обшее описание    239
Педаль сцепления - проверка и регулировка  239
Педаль сцепления - снятие и установка    240
Выключатель блокировки
стартера на педали сцепления - проверка и
регулировка    241
Диагностика неисправностей сцепления    241
Сцепление - снятие и установка    242
Проверка элементов сцепления    243
Главный цилиндр сцепления - снятие и
установка    244
Рабочий цилиндр сцепления - снятие, ремонт
и установка    245
Выжимной подшипник    246
Срок службы сцепления    246
Возможные неисправности сцепления    246
Механическая коробка переключения перелай 248 Конструкция коробки переключения передач 248 Выключатель фонаря заднего хода - замена  250
Сальники дифференциала - замена    250
Рычаг переключения передач - снятие и
установка    251
Тросы управления коробкой переключения
передач - снятие и установка    252
МКПП - снятие и установка    252
Ремонт коробки переключения передач     253
Муфта синхронизатора - ремонт    260
Вал рычага переключения и выбора передач -
ремонт    261
Коробка дифференциала - ремонт    262
Диагностика неисправностей механической
коробки переключения передач    264
Автоматическая коробка переключения
перелач    264
Обшие сведения и принцип работы     264
Электронная система управления автоматической коробкой переключения
передач    265
Диагностика автоматической коробки
переключения передач     265
Сальники переднего дифференциала -
замена    266
Поддон картера автоматической коробки переключения передач и сетчатый фильтр -
снятие и установка    267
Выключатель индикации диапазонов Р и
N - замена    267
Датчик скорости вращения автоматической
коробки переключения передач - замена    268
АКПП - замена    268
Рекомендации по проведению ремонта автоматической коробки переключения
передач    270
Буксировка автомобилей с автоматической
коробкой переключения передач     271
Диагностика неисправностей автоматической
коробки переключения передач    271
Приволные валы    271
Обшие сведения    271
Приводные валы - снятие и установка    272
Приводные валы - ремонт    273
Проверка защитных чехлов    277
Поиск неисправностей приводных валов    277
ХОДОВАЯ ЧАСТЬ И РУЛЕВОЕ УПРАВЛЕНИЕ    278
Передняя полвеска    278
Обшее описание    278
Проверка элементов передней подвески
автомобиля    278
Передний амортизатор - снятие и установка  280
 
Амортизационная стойка - разборка и
сборка    281
Нижний рычаг передней подвески - снятие и
Г
становка    282
1ередний стабилизатор поперечной
устойчивости    283
Ступица и поворотный кулак - снятие,
проверка и установка    284
Ступица переднего колеса - ремонт    285
Залняя полвеска    287
Обшее описание    287
Проверка элементов задней подвески     287
Проверка амортизаторов и пружин    287
Амортизационная стойка - снятие и
установка    287
Амортизационная стойка - разборка и сборка 289 Продольная штанга задней подвески - снятие
и установка    289
Задний стабилизатор поперечной
устойчивости - снятие и установка    290
Рычаги задней подвески - снятие и установка  291 Ступица и подшипник заднего колеса - снятие
и установка    292
Держатель ступицы заднего колеса - снятие и
установка    292
Рулевое управление     293
Обшее описание    293
Рулевое колесо - снятие и установка    294
Рулевая колонка - снятие, проверка и
установка    295
Рулевая колонка - ремонт    296
Проверка пыльников и наконечников рулевых
тяг    297
Наконечники рулевых тяг - снятие и
установка    297
Проверка момента начала вращения шарового
шарнира наконечника рулевой тяги    298
Рулевой механизм - снятие и установка    298
Рулевой механизм - разборка, проверка и
сборка    299
Электронный блок управления усилителем
рулевого управления - замена    300
Колёса и шины    301
Рекомендации по замене шин    301
Применяемые шины и колёса    301
Использование цепей противоскольжения    302
Колесо с шиной - снятие и установка    302
Биение колёс    303
Ремонт дефектов алюминиевых колёс    304
Восстановление защитного покрытия
алюминиевых колёс    304
Корректировка неоднородностей шин    304
Диагностика шины     305
Болт ступицы колеса - замена    305
Регулировка колёс    306
Аиагностика неисправностей холовой части    309
Обшая диагностика неисправностей ходовой
части    309
Диагностика реечного рулевого механизма  311
Диагностика состояния амортизаторов    311
Диагностика состояния шин    311
Диагностика причин увода автомобиля    312
Диагностика и устранение вибрации ходовой
части    313
Диагностика неисправностей закрытых
подшипников колёс    314
ТОРМОЗНАЯ  СИСТЕМА    315
Обшее описание    315
Выключатель сигнала торможения - замена и
проверка    316
Педаль тормоза - снятие, ремонт и установка 316 Главный тормозной цилиндр - снятие и
установка    317
Усилитель тормозов - снятие и установка    319
Дисковые тормоза - обшее описание    320
Замена тормозных колодок    321
Тормозной суппорт - снятие, ремонт и
установка    322
Тормозные диски - снятие, установка и
проверка    324
СТОЯНОЧНЫЙ тормоз    325
Тормозные колодки стояночного тормоза -
ремонт    325
Стояночный тормоз - регулировка    327
Рычаг стояночного тормоза - снятие и
f
craHOBKa    327
1едаль стояночного тормоза - снятие и
установка    328
Антиблокировочная тормозная система (ABS) 329
Обшее описание системы    329
Исполнительное устройство тормозов -
замена    330
Датчик скорости передних колёс - замена    331
Датчик предотвращения заноса (датчик
скорости заднего колеса) - замена    332
Датчик скорости рыскания и ускорения -
замена    333
Датчик угла поворота рулевого колеса -
снятие и установка    333
Зуммер индикации заноса - снятие и
установка    333
Аиагностика неисправностей тормозной
системы    334
Первоначальные проверки системы ABS     334
Проверка технического состояния тормозной
системы    334
Возможные неисправности тормозной
системы    335
СИСТЕМА ПОДДЕРЖАНИЯ  ПОСТОЯННОЙ СКОРОСТИ АВТОМОБИЛЯ
(«КРУИЗ-КОНТРОЛЬ»)    336
Меры предосторожности при использовании
системы «круиз-контроль»     336
Обшее описание    336
Работа режимов «круиз-контроль»    337
Главный включатель системы
«круиз-контроль» - снятие и установка    338
Выключатель системы «круиз-контроль» на
педали сцепления    338
Диагностика неисправностей системы
«круиз-контроль»    339
ЭЛЕКТРООБОРУДОВАНИЕ    341
Классификация неисправностей
электрооборудования - простейшие методы
проверки    341
Система запуска и заряла    341
Обшее описание    341
Неисправности системы запуска двигателя  342
Аккумуляторная батарея    343
Обшее описание    343
Характеристики    344
Встроенный ареометр («магический глаз»)    344
Снятие и установка аккумуляторной батареи  345
Диагностика аккумуляторной батареи    345
Зарядка аккумуляторной батареи    347
Зарядка полностью разряженной
аккумуляторной батареи (вне автомобиля)    348
Аккумуляторная батарея саморазряжается  349
Хранение аккумуляторной батареи    349
Диагностика неисправностей аккумуляторной
батареи    350
Генератор    350
Обшее описание    350
Меры предосторожности при работе с
генератором    351
Текущее обслуживание генератора    351
Генератор - снятие и установка    351
Генератор - ремонт и проверка    353
Проверка генератора    355
Диагностика неисправностей генератора    356
Стартер    356
Обшее описание    356
Uenb стартера - проверка    357
Стартер - снятие и установка    357
Стартер - ремонт и проверка    358
Система освещения    360
Лампы освещения    360
440
 
Фары головного света - снятие, установка и
замена    361
Проверка и регулировка фар головного
света    361
Противотуманные фары - снятие, установка
и замена лампы    362
Проверка и регулировка противотуманных
t
iap    362
адние комбинированные фонари - снятие,
установка и замена    363
Фонарь освещения номерного знака - снятие,
установка, замена лампы    364
Диагностика неисправностей системы
освещения    365
Стеклоочистители и стеклоомыватели    366
Обшее описание    366
Электродвигатель переднего
стеклоочистителя    367
Резинки щёток стеклоочистителя - замена    368
Жиклёры стеклоомывателя    369
Стеклоомыватель - проверка    369
Диагностика неисправностей
стеклоочистителя    370
Прелохранители и реле    370
Предохранители    370
Реле    371
Расположение предохранителей и реле
в блоках    372
СИСТЕМА КОНДИЦИОНИРОВАНИЯ ВОЗДУХА 375
Меры предосторожности при работе с
системой кондиционирования    375
Обшее описание    375
Проверка функционирования кондиционера  375 Порядок проведения технического осмотра
системы кондиционирования    376
Разгрузка системы кондиционирования    376
Компрессор кондиционера - снятие, ремонт
и установка    377
Конденсатор - снятие и установка    381
Диагностика неисправностей системы
кондиционирования    382
Важные советы по использованию
кондиционера    382
Удаление посторонних запахов из
кондиционера    382
Диагностика неисправностей системы
отопления и кондиционирования     383
СИСТЕМА ПАССИВНОЙ  БЕЗОПАСНОСТИ SRS  385
Обшее описание    385
Меры безопасности при обслуживании
системы SRS    386
Диагностика неисправностей системы SRS    386
Подушка рулевого колеса - снятие и
установка    ,    388
Спиральный провод - снятие и установка    389
КУЗОВ И САЛОН АВТОМОБИЛЯ     391
Кузов    391
Обшее описание    391
Ремонт повреждений кузова    391
Передний бампер - снятие и установка    393
Задний бампер - снятие и установка    393
Нижние защитные молдинги - снятие и
установка    394
Двери - снятие, установка и регулировка    394
Капот - снятие и установка    395
Двери - разборка без снятия с автомобиля  396
Трос управления замком капота - замена    402
Ветровое стекло - снятие и установка    403
Крышка багажника - ремонт    406
Передние сиденья - снятие и установка    407
Заднее сиденье - снятие и установка    408
Электронный блок классификации загрузки
переднего сиденья     408
КОНТРОЛЬНЫЕ РАЗМЕРЫ  И  РЕГУЛИРОВОЧНЫЕ
ДАННЫЕ    410
ЛИТЕРАТУРА    421
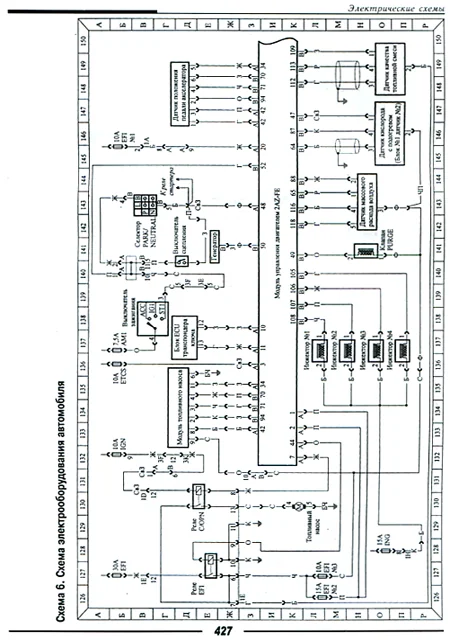
ЭЛЕКТРИЧЕСКИЕ СХЕМЫ     422